MUST MOVE 64 CAVITY AND 8 CAVITY MOLDS FOR 38 MM CLOSURE STACK MOLD
Mold Details:
- 64-Cavity Mold: 90-95% complete allowing the extra for shrinkage
- Brand New - the project was canceled before completion.
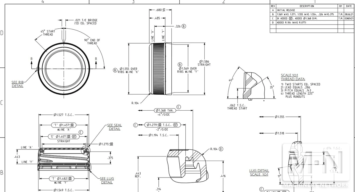
- 38mm Closure
- 36W x 39L x 41H inches mold size
- Originally designed for PHA biopolymers, with the Mold Masters hot runner system can be modified for ~$7K to run conventional plastics.
** Original Value: $788,800 OPEN TO OFFERS
valve gate manifold and hot runner.
a. Original Value: $369,000 OPEN TO OFFERS
Accompanying Molds for Sale:
- Two additional molds are available for purchase, either together or separately. Option to include one or both for the right price on the 64-Cavity mold too.
- Both molds are finished, have minimal usage, and are designed for the same 38mm closure:
a. Unit Cavity – good condition with <2 years of use.
b. 8-Cavity Mold – like new condition (only run a few times).
- Original Value: $318,000 OPEN TO OFFERS
The 64-cavity mold is a 2x32 cavity stacked mold. it as essentially two molds stacked on top of one another in which the two halves that but up to one another are combined into a single part. Schematically, where '|' is the mold half and 'o' are the cavities:
|o| |o| → |o|o|
The 64-cavity mold cavities and cores have not been completely machined as they were waiting on the final closure design prior to finishing, hence the incomplete state of the molds.
The 8-cavity and single cavity tools are complete. The 8-cavity tool has around 50 hours of run time so is practically new. The unit cavity has around 500 hours of use with some sings of wear.
** PLEASE CALL FOR MOLDS DRAWINGS
We use cookies to improve your experience. Privacy Policy.